Система инсталляции для унитазов
Комплект, в состав которого входит унитаз Villeroy & Boch O Novo и инсталляция Grohe Rapid SL 4 в 1, – оборудование, позволяющее сэкономить пространство в малогабаритном санузле и сократить время на его уборку. Подвесной монтаж осуществляется с применением регулируемой по высоте самонесущей конструкции из нержавеющей стали, что обуславливает ее прочность и долговечность. Пластиковый бачок подключается к трубе с любой стороны. Управление смывом производится пневматическими кнопками в двух режимах. Овальная фарфоровая чаша оснащена надежной фурнитурой из нержавеющей стали. Сиденье с крышкой из дюропласта легко снимается, обеспечивая комфорт при пользовании и уборке.
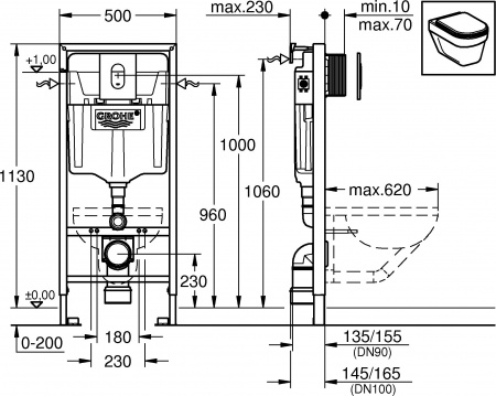
Монтажные размеры инсталляции:
- Высота: 113 см
- Ширина: 50 см
- Глубина: 16 см
|
Страна
? Основная страна в которой находится фирма или страна производства |
Германия |
|
Производитель
|
Villeroy & Boch |
|
Серия
|
O.Novo |
|
Материал
|
фарфор |
|
Материал
|
фарфор |
|
Гарантия
|
4 года - керамика, 2 года - сиденье |
|
Длина,см
|
49 |
|
Область применения
|
бытовая |
|
Диаметр слива, см
|
9 |
|
Высота, см
|
34 |
|
Ширина, см
|
36 |
|
Глубина, см
|
16 |
|
Цвет
|
белый |
|
Направление выпуска
|
горизонтальное (в стену) |
|
Функция биде
|
нет |
|
Система антивсплеск
|
нет |
|
Стилистика дизайна
|
белый |
|
Быстросъемное сиденье
|
да |
|
Дополнительные функции
|
крепления / смывной бачок / кнопка смыва / звукоизолирующая прокладка |
|
Оснащение
|
крепления / кнопка смыва / смывной бачок |
|
Название цвета
|
белый альпин |
|
Дополнительная информация
|
кнопка Arena Cosmopolitan |
|
Комплектация
|
Унитаз подвесной Villeroy & Boch O.novo 5688 H1 01 alpin, с микролифтом Система инсталляции для унитазов Grohe Rapid SL 38929000 4 в 1 с кнопкой смыва |
|
Длина, см
|
49 |
|
Механизм слива
|
пневматическая кнопка |
|
Метод установки сливного бачка
|
3 и 6 |
|
Материал сиденья
|
дюропласт |
|
Требуется система инсталляции
|
да |
|
Межосевое расстояние под крепеж. шпильки
|
18 |
|
Цвет сиденья
|
белый |
|
Фурнитура
|
белый |
|
Безободковый
|
нет |
|
Сиденье в комплекте
|
да |
|
Сиденье с микролифтом
|
да |
|
Организация смывающего потока
|
Каскадный слив |
|
Высота чаши, см
|
40 |
|
Подвод воды
|
сзади бачка |
|
Сиденье с подогревом
|
да |
|
Антигрязевое покрытие
|
да |
|
Метод крепления
|
в капитальную стену и пол |
|
Монтажная высота, см
|
113 |
|
Монтажная глубина, см
|
16 |
|
Диаметр переходника для слива, см
|
11 |
|
Межосевое расстояние под крепеж. шпильки, см
|
18 / 23 |
|
Монтаж
|
подвесной |
|
Управление
|
пневматическое |
|
Режим слива воды
|
2 кнопки (эконом) / 1 кнопка (старт-стоп) |
|
Материал кнопки
|
пластик |
|
Цвет кнопки
|
хром |
|
Объем смыва, л
|
3 и 6 |
|
Форма
|
Нержавеющая сталь |
Для покупки товара в нашем интернет-магазине выберите понравившийся товар и добавьте его в корзину. Далее перейдите в Корзину и нажмите на «Оформить заказ» или «Быстрый заказ».
Когда оформляете быстрый заказ, напишите ФИО, телефон и e-mail.
Вам перезвонит менеджер и уточнит условия заказа. По результатам разговора вам придет подтверждение оформления товара на почту или через СМС. Теперь останется только ждать доставки и радоваться новой покупке.
Оформление заказа в стандартном режиме выглядит следующим образом:
Заполняете полностью форму по последовательным этапам: адрес, способ доставки, оплаты, данные о себе. Советуем в комментарии к заказу написать информацию, которая поможет курьеру вас найти. Нажмите кнопку «Оформить заказ».
Оплачивайте покупки удобным способом. В интернет-магазине доступно 2 варианта оплаты:
- Наличные при самовывозе или доставке курьером. Специалист свяжется с вами в день доставки, чтобы уточнить время и заранее подготовить сдачу с любой купюры. Вы подписываете товаросопроводительные документы, вносите денежные средства, получаете товар и чек, товарную накладную,гарантию на товар.
- Безналичный расчет как юридическое лицо. Для этого необходимо отправить нам по электронной почте реквизиты вашей организации.
Экономьте время на получении заказа. В интернет-магазине доступно 3 варианта доставки:
- Курьерская доставка по Москве и Московской области работает с 9.00 до 19.00. Отдел доставки заранее свяжется с Вами для уточнения деталей. Специалист предложит выбрать удобное время доставки и уточнит адрес.
- Самовывоз из магазина. Список торговых точек для выбора появится в корзине. Когда заказ поступит на склад, вам придет уведомление. Для получения заказа обратитесь к сотруднику отдела продаж.
- Отправка через транспортные компании: "Деловые Линии", "СДЭК", "ПЭК" и другие. Когда заказ будет передан в отделение ТК, вам поступит уведомление и номер отслеживания заказа.
