Крышка-сиденье
Комплект крепления для инсталляций
Система инсталляции для унитазов
Кнопка смыва
Шумоизоляционная панель для инсталляции
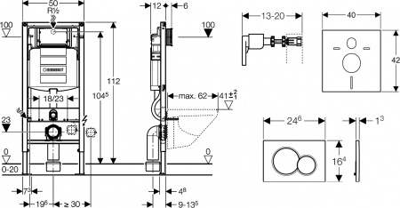
Подвесной унитаз Ideal Standard Connect AquaBlade и инсталляция Geberit UP 320 – готовое решение для современной туалетной комнаты. Конструкция надежная и долговечная. Монтаж производится на прочную металлическую раму, оснащенную бачком, двумя кнопками механического управления, регулирующими смыв, и звукоизолирующей панелью, снижающей слышимость шума льющейся воды. Все необходимые крепления предоставляются. Безободковая чаша, снабженная сиденьем с крышкой из дюропласта, произведена из прочного фарфора, сохраняющего великолепный внешний вид на протяжении более 25 лет.
Монтажные размеры инсталляции: высота 112 см, глубина 16,5 см, ширина 50 см.
|
Страна
? Основная страна в которой находится фирма или страна производства |
Бельгия |
|
Производитель
|
Ideal Standard |
|
Серия
|
Connect |
|
Гарантия
|
25 лет |
|
Длина,см
|
54 |
|
Область применения
|
бытовая |
|
Диаметр слива, см
|
9 |
|
Высота, см
|
31 |
|
Ширина, см
|
36 |
|
Глубина, см
|
12 |
|
Цвет
|
белый |
|
Направление выпуска
|
горизонтальное (в стену) |
|
Функция биде
|
нет |
|
Система антивсплеск
|
да |
|
Безободковый
|
да |
|
Стилистика дизайна
|
белый |
|
Материал
|
фарфор |
|
Форма
|
прямоугольная |
|
Оснащение
|
смывной бачок |
|
Название цвета
|
хром матовый |
|
Комплектация
|
Чаша для унитаза подвесного Ideal Standard Connect AquaBlade E047901 Крышка-сиденье Ideal Standard Connect E772401 с микролифтом Комплект крепления для инсталляций Geberit Duofix 111.815.00.1 к стене Система инсталляции для унитазов Geberit Duofix UP 320 111.300.00.5 Кнопка смыва Geberit Sigma 01 115.770.46.5 матовый хром Шумоизоляционная панель для инсталляции Geberit 156.050.00.1 |
|
Длина, см
|
54 |
|
Механизм слива
|
механическая кнопка |
|
Метод установки сливного бачка
|
3 и 6 |
|
Материал сиденья
|
дюропласт |
|
Требуется система инсталляции
|
да |
|
Межосевое расстояние под крепеж. шпильки
|
18 |
|
Стилистика дизайна
|
современный |
|
Цвет сиденья
|
белый |
|
Фурнитура
|
белый |
|
Безободковый
|
да |
|
Сиденье в комплекте
|
нет, приобретается отдельно |
|
Организация смывающего потока
|
Воронка-водоворот |
|
Подвод воды
|
сверху бачка / сзади бачка |
|
Сиденье с подогревом
|
да |
|
Метод крепления
|
в капитальную стену и пол |
|
Монтажная высота, см
|
112 |
|
Монтажная глубина, см
|
12 |
|
Диаметр переходника для слива, см
|
11 |
|
Цвет точно
|
хром матовый |
|
Межосевое расстояние под крепеж. шпильки, см
|
18 / 23 |
|
Монтаж
|
подвесной |
|
Управление
|
механическое / пневматическое |
|
Режим слива воды
|
2 кнопки (эконом) / 1 кнопка (старт-стоп) / 1 кнопка (полный слив) |
|
Назначение
|
для унитазов |
|
Объем смыва, л
|
3 и 4.5 / 3 и 7.5 / 3 и 6 / 4.5 и 6 / 4.5 и 7.5 |
|
Форма
|
прямоугольная |
Для покупки товара в нашем интернет-магазине выберите понравившийся товар и добавьте его в корзину. Далее перейдите в Корзину и нажмите на «Оформить заказ» или «Быстрый заказ».
Когда оформляете быстрый заказ, напишите ФИО, телефон и e-mail.
Вам перезвонит менеджер и уточнит условия заказа. По результатам разговора вам придет подтверждение оформления товара на почту или через СМС. Теперь останется только ждать доставки и радоваться новой покупке.
Оформление заказа в стандартном режиме выглядит следующим образом:
Заполняете полностью форму по последовательным этапам: адрес, способ доставки, оплаты, данные о себе. Советуем в комментарии к заказу написать информацию, которая поможет курьеру вас найти. Нажмите кнопку «Оформить заказ».
Оплачивайте покупки удобным способом. В интернет-магазине доступно 2 варианта оплаты:
- Наличные при самовывозе или доставке курьером. Специалист свяжется с вами в день доставки, чтобы уточнить время и заранее подготовить сдачу с любой купюры. Вы подписываете товаросопроводительные документы, вносите денежные средства, получаете товар и чек, товарную накладную,гарантию на товар.
- Безналичный расчет как юридическое лицо. Для этого необходимо отправить нам по электронной почте реквизиты вашей организации.
Экономьте время на получении заказа. В интернет-магазине доступно 3 варианта доставки:
- Курьерская доставка по Москве и Московской области работает с 9.00 до 19.00. Отдел доставки заранее свяжется с Вами для уточнения деталей. Специалист предложит выбрать удобное время доставки и уточнит адрес.
- Самовывоз из магазина. Список торговых точек для выбора появится в корзине. Когда заказ поступит на склад, вам придет уведомление. Для получения заказа обратитесь к сотруднику отдела продаж.
- Отправка через транспортные компании: "Деловые Линии", "СДЭК", "ПЭК" и другие. Когда заказ будет передан в отделение ТК, вам поступит уведомление и номер отслеживания заказа.
