на лучшие бренды
всем клиентам
по России за 24 часа
от производителей
- Новая технология Wi-Fi Motion от Thermex обеспечивает стабильную многопользовательскую связь между устройством и гаджетом пользователя - смартфоном или планшетом, что позволяет управлять водонагревателем на расстоянии
- В приложении возможно включать и отключать водонагреватель, устанавливать температуру нагрева, постоянно отслеживать работу устройства и создавать сценарии для водонагревателя - например, нагрев по дням недели в определенное время дня, отсрочка старта, объединение устройств в группы и одновременное управление ими и даже настройки включения в зависимости от температуры за окном или других внешних условий
- Каждый водонагреватель серии Thermex Optima Wi-Fi можно установить как вертикально, так и горизонтально. При этом корпус оборудования имеет узкую форму и небольшую глубину, что позволяет удобно разместить водонагреватель в малогабаритных помещениях, вытянутых нишах, и закрепить технику в нужном положении
- Внутри Thermex Optima Wi-Fi два внутренних бака вытянутой формы, соединенных между собой. Такой внутренний бак устойчив к гидроударам и перепадам температуры и обеспечивает равномерный нагрев. Внутренний бак Thermex Optima Wi-Fi имеет надежную защиту от коррозии за счет покрытия Биостеклофарфор. Оно фактически сливается со стенками и швами бака, защищая его от возможности появления ржавчины. При этом за счет свойств покрытия внутри создается подобие фарфорового кувшина, где вода дольше остается чистой и свежей
- Кроме удаленного управления через технологию Wi-Fi Motion, Thermex Optima Wi-Fi может настраиваться и с фронтальной панели управление. Здесь предусмотрено 5 предустановленных режимов температуры на базовой мощности 2000 Вт, специальный режим Eco на мощности 1200 Вт и при температуре нагрева 55 °
- Специальная функция умного нагрева.Функция умного нагрева Smart Control в первую неделю эксплуатации запоминает предпочитаемые настройки пользователя по дням недели и времени в течение дня. Затем, начиная со второго дня, водонагреватель автоматически нагревает необходимое количество воды к нужному времени. Функция Smart Control повышает комфорт использования водонагревателя, помогает экономить время пользователя и средства на расходах электричества - до 26% в месяц
- Внутри Thermex Optima Wi-Fi установлен ТЭН BioGlassHeat, сделанный из нержавеющей стали с покрытием Биостеклофарфор. Такой ТЭН устойчив к коррозии, долговечен и обеспечивает стабильный нагрев на протяжении всего срока эксплуатации
- Для безопасной эксплуатации в Thermex Optima Wi-Fi предусмотрена расположенная на шнуре защита от поражения электрическим током, а также установлены другие системы безопасности, включая защиту от перепадов давления в водопроводной сети. Кроме того, контролировать работу оборудования можно постоянно через Wi-Fi в приложении Thermex Home
|
Страна
? Основная страна в которой находится фирма или страна производства |
Россия |
|
Производитель
|
Thermex |
|
Серия
|
Optima Wi-Fi |
|
Объем резервуара, л
|
100 |
|
Вид нагрева
|
электрический |
|
Гарантия
|
5 лет - внутренний бак, 1 год - водонагреватель |
|
Область применения
|
бытовая |
|
Вид нагревательного элемента
|
трубчатый теплообменник |
|
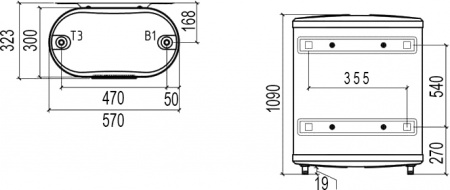
Высота, см
|
109 |
|
Ширина, см
|
57 |
|
Глубина, см
|
32.3 |
|
Цвет
|
белый |
|
Код товара
|
111 114 |
|
Оснащение
|
антикоррозийный анод / индикатор нагрева / предохранительный клапан / световой индикатор / крепления / термостат / датчик температуры / электрический кабель |
|
Комплектация
|
Водонагреватель Thermex Optima 100 Wi-Fi |
|
Монтаж
|
настенный |
|
Управление
|
электронное / через телефон |
|
Расположение подключения ГВС
|
нижнее / боковое |
|
Рассчитан на семью
|
3-4 человека |
|
Точки водоразбора
|
для нескольких точек отбора |
|
Способ подачи воды
|
напорный (закрытого типа) |
|
Номинальная мощность, кВт
|
2 |
|
Напряжение, В
|
230 |
|
Внутреннее покрытие бака
|
биостеклофарфор |
|
Подводка
|
боковая / нижняя |
|
Макс. давление воды, бар
|
7 |
|
Мин. давление воды, бар
|
0.5 |
|
Ограничение температуры нагрева
|
есть |
|
Макс. температура нагрева, C
|
75 |
|
Ориентация
|
вертикальный / горизонтальный |
|
Защита от перегрева
|
есть |
|
Регулировка температуры
|
есть |
|
Ускоренный нагрев
|
есть |
|
Время нагрева, мин
|
140 |
Для покупки товара в нашем интернет-магазине выберите понравившийся товар и добавьте его в корзину. Далее перейдите в Корзину и нажмите на «Оформить заказ» или «Быстрый заказ».
Когда оформляете быстрый заказ, напишите ФИО, телефон и e-mail.
Вам перезвонит менеджер и уточнит условия заказа. По результатам разговора вам придет подтверждение оформления товара на почту или через СМС. Теперь останется только ждать доставки и радоваться новой покупке.
Оформление заказа в стандартном режиме выглядит следующим образом:
Заполняете полностью форму по последовательным этапам: адрес, способ доставки, оплаты, данные о себе. Советуем в комментарии к заказу написать информацию, которая поможет курьеру вас найти. Нажмите кнопку «Оформить заказ».
Оплачивайте покупки удобным способом. В интернет-магазине доступно 2 варианта оплаты:
- Наличные при самовывозе или доставке курьером. Специалист свяжется с вами в день доставки, чтобы уточнить время и заранее подготовить сдачу с любой купюры. Вы подписываете товаросопроводительные документы, вносите денежные средства, получаете товар и чек, товарную накладную,гарантию на товар.
- Безналичный расчет как юридическое лицо. Для этого необходимо отправить нам по электронной почте реквизиты вашей организации.
Экономьте время на получении заказа. В интернет-магазине доступно 3 варианта доставки:
- Курьерская доставка по Москве и Московской области работает с 9.00 до 19.00. Отдел доставки заранее свяжется с Вами для уточнения деталей. Специалист предложит выбрать удобное время доставки и уточнит адрес.
- Самовывоз из магазина. Список торговых точек для выбора появится в корзине. Когда заказ поступит на склад, вам придет уведомление. Для получения заказа обратитесь к сотруднику отдела продаж.
- Отправка через транспортные компании: "Деловые Линии", "СДЭК", "ПЭК" и другие. Когда заказ будет передан в отделение ТК, вам поступит уведомление и номер отслеживания заказа.
