на лучшие бренды
всем клиентам
по России за 24 часа
от производителей
Канализационная установка SFA Sanibest Pro - насос-измельчитель для принудительной канализации в общественных местах, интенсивная работа, подключение к любой сантехнике, модели с откачиванием по высоте до 7 м, высокая степень измельчения, быстрая и бесшумная работа, герметичный корпус, компактные размеры.
Возможно подключение следующих узлов к насосу Sanibest Pro:




Исключительные показатели мощности откачивания позволяют отводить воды до 7 м вертикально и до 110 м горизонтально по трубе диаметром от 22 до 32 мм.
SFA Sanibest Pro применяются для подключения любой сантехники: унитаза, умывальника, душа, биде. Подходит для интенсивного использования в общественных местах - ресторанах, кафе, торговых центрах, в офисах и на предприятиях.
Канализационные насосы с измельчителем Sanibest Pro - новое поколение систем принудительной канализации SFA. Такая канализационная установка монтируется рядом с унитазом и перекачивает фекальные отходы, включая туалетную бумагу и загрязненную воду. Конструкция ножей обеспечивает высокую степень измельчения.
Возможность работы фекального насоса SFA Sanibest Pro в общественных местах достигается путем применения в установке совершенно иной системы измельчения, которая находится не на входе в канализационную установку, как сделано в бытовых приборах, а в нижней части корпуса установки. Механизм канализационной установки SFA Sanibest Pro выполнен в виде ножа измельчения, позволяющего измельчать случайно попавшие в насос предметы гигиены. Стоит добавить, что установка выдерживает в кратковременном режиме температуру 70°С, это дает возможность подключать к Sanibest Pro стиральные и посудомоечные машины. Корпус электродвигателя имеет специальный теплообменник, который обеспечивает охлаждение масла, находящегося в электромоторе.
Принцип работы канализационной установки SFA Sanibest Pro
Принцип работы насоса Sanibest Pro прост: после спуска воды и поднятия уровня воды в корпусе насос автоматически включается и начинает работать измельчитель в течение 3-4 секунд. Затем измельченные стоки удаляются и насос снова готов к работе.
Следует отметить, что при работе насос Sanibest Pro не создает ни шума и запахов: использованные звукопоглощающие материалы снижают уровень шума и передачу звука через пол, опоры мотора поглощают вибрацию, а фильтр с активированным углем устраняет неприятные запахи.
|
Страна
? Основная страна в которой находится фирма или страна производства |
Франция |
|
Производитель
|
SFA |
|
Серия
|
Sanibest Pro |
|
Материал корпуса
|
пластик |
|
Область применения
|
канализация |
|
Производительность, м3/ч
|
8.7 |
|
Трубное присоединение, мм
|
22, 28, 32 |
|
Управление
|
отсутствует |
|
Напор, м
|
7 |
|
Подключение
? Только для канализационных насосов! |
биде, душ, унитаз, рукомойник/умывальник |
|
Уровень шума
|
тихий |
|
Мощность, Вт
|
110 |
|
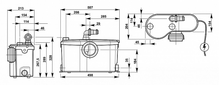
Высота, мм
|
267.5 |
|
Ширина, мм
|
507 |
|
Глубина, мм
|
154 |
Для покупки товара в нашем интернет-магазине выберите понравившийся товар и добавьте его в корзину. Далее перейдите в Корзину и нажмите на «Оформить заказ» или «Быстрый заказ».
Когда оформляете быстрый заказ, напишите ФИО, телефон и e-mail.
Вам перезвонит менеджер и уточнит условия заказа. По результатам разговора вам придет подтверждение оформления товара на почту или через СМС. Теперь останется только ждать доставки и радоваться новой покупке.
Оформление заказа в стандартном режиме выглядит следующим образом:
Заполняете полностью форму по последовательным этапам: адрес, способ доставки, оплаты, данные о себе. Советуем в комментарии к заказу написать информацию, которая поможет курьеру вас найти. Нажмите кнопку «Оформить заказ».
Оплачивайте покупки удобным способом. В интернет-магазине доступно 2 варианта оплаты:
- Наличные при самовывозе или доставке курьером. Специалист свяжется с вами в день доставки, чтобы уточнить время и заранее подготовить сдачу с любой купюры. Вы подписываете товаросопроводительные документы, вносите денежные средства, получаете товар и чек, товарную накладную,гарантию на товар.
- Безналичный расчет как юридическое лицо. Для этого необходимо отправить нам по электронной почте реквизиты вашей организации.
Экономьте время на получении заказа. В интернет-магазине доступно 3 варианта доставки:
- Курьерская доставка по Москве и Московской области работает с 9.00 до 19.00. Отдел доставки заранее свяжется с Вами для уточнения деталей. Специалист предложит выбрать удобное время доставки и уточнит адрес.
- Самовывоз из магазина. Список торговых точек для выбора появится в корзине. Когда заказ поступит на склад, вам придет уведомление. Для получения заказа обратитесь к сотруднику отдела продаж.
- Отправка через транспортные компании: "Деловые Линии", "СДЭК", "ПЭК" и другие. Когда заказ будет передан в отделение ТК, вам поступит уведомление и номер отслеживания заказа.
