на лучшие бренды
всем клиентам
по России за 24 часа
от производителей
SFA Saniaccess 1 - новейшая модель санинасосов компании SFA, которая позволяет легко организовать подъем стоков как от унитаза. Использованные при создании насоса высокотехнологичные механизмы и высококачественные материалы гарантируют бесперебойную работу Saniaccess 1.
Возможно подключение следующих узлов к насосу Saniaccess 1:

|
|
Санинасос с легкостью перекачает канализационные стоки на высоту до 5 метром и по горизонтали до 100 метров, а пропускная способность данной модели состовляет 4,8 метров кубических в час. Благодаря удачному расположению внутренних механизмов, обслуживание и ремонт Saniaccess 1 не вызовет затруднений- доступ к ним облегчен.
Канализационные насосы с измельчителем Saniaccess 1 - это совершенно новое поколение систем принудительной канализации SFA. Такая канализационная установка монтируется рядом с унитазом и перекачивает фекальные отходы, включая туалетную бумагу и загрязненную воду. Конструкция ножей обеспечивает высокую степень измельчения.
Принцип работы канализационной установки SFA Saniaccess 1
Принцип работы насоса Saniaccess 1 прост: после спуска воды и поднятия уровня воды в корпусе насос автоматически включается и начинает работать измельчитель в течение 3-4 секунд. Затем измельченные стоки удаляются и насос Saniaccess 1 снова готов к работе
|
Страна
? Основная страна в которой находится фирма или страна производства |
Франция |
|
Производитель
|
SFA |
|
Серия
|
Saniaccess 1 |
|
Материал корпуса
|
пластик |
|
Область применения
|
канализация |
|
Качество воды
? На СО это "Ограничение применения" |
агрессивные жидкости, вязкие жидкости |
|
Производительность, м3/ч
|
4.8 |
|
Трубное присоединение, мм
|
22, 28, 32 |
|
Управление
|
отсутствует |
|
Напор, м
|
5 |
|
Защита от сухого хода
|
есть |
|
Подключение
? Только для канализационных насосов! |
унитаз |
|
Уровень шума
|
тихий |
|
Мощность, Вт
|
400 |
|
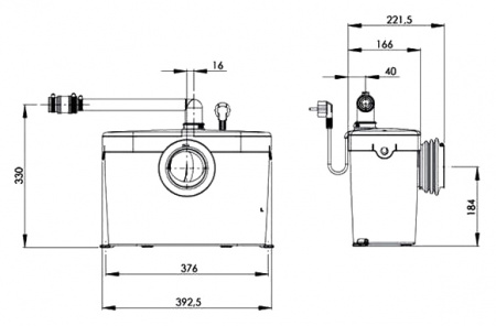
Высота, мм
|
330 |
|
Ширина, мм
|
392.5 |
|
Глубина, мм
|
221.5 |
Для покупки товара в нашем интернет-магазине выберите понравившийся товар и добавьте его в корзину. Далее перейдите в Корзину и нажмите на «Оформить заказ» или «Быстрый заказ».
Когда оформляете быстрый заказ, напишите ФИО, телефон и e-mail.
Вам перезвонит менеджер и уточнит условия заказа. По результатам разговора вам придет подтверждение оформления товара на почту или через СМС. Теперь останется только ждать доставки и радоваться новой покупке.
Оформление заказа в стандартном режиме выглядит следующим образом:
Заполняете полностью форму по последовательным этапам: адрес, способ доставки, оплаты, данные о себе. Советуем в комментарии к заказу написать информацию, которая поможет курьеру вас найти. Нажмите кнопку «Оформить заказ».
Оплачивайте покупки удобным способом. В интернет-магазине доступно 2 варианта оплаты:
- Наличные при самовывозе или доставке курьером. Специалист свяжется с вами в день доставки, чтобы уточнить время и заранее подготовить сдачу с любой купюры. Вы подписываете товаросопроводительные документы, вносите денежные средства, получаете товар и чек, товарную накладную,гарантию на товар.
- Безналичный расчет как юридическое лицо. Для этого необходимо отправить нам по электронной почте реквизиты вашей организации.
Экономьте время на получении заказа. В интернет-магазине доступно 3 варианта доставки:
- Курьерская доставка по Москве и Московской области работает с 9.00 до 19.00. Отдел доставки заранее свяжется с Вами для уточнения деталей. Специалист предложит выбрать удобное время доставки и уточнит адрес.
- Самовывоз из магазина. Список торговых точек для выбора появится в корзине. Когда заказ поступит на склад, вам придет уведомление. Для получения заказа обратитесь к сотруднику отдела продаж.
- Отправка через транспортные компании: "Деловые Линии", "СДЭК", "ПЭК" и другие. Когда заказ будет передан в отделение ТК, вам поступит уведомление и номер отслеживания заказа.

