на лучшие бренды
всем клиентам
по России за 24 часа
от производителей
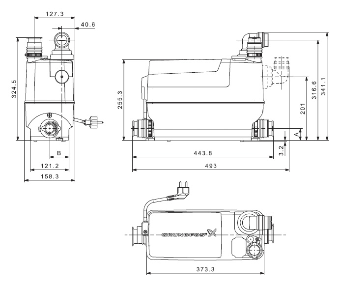
Канализационная насосная установка Grundfos SOLOLIFT2 C-3 это малогабаритная, полностью укомплектованная и готовая к монтажу насосная установка представляет собой герметично закрытый пластиковый резервуар в котором расположены - насос с двигателем “сухого исполнения” с обратным клапаном в напорном патрубке, профессиональный режущий механизм и мощный двигатель способные справиться даже с предметами личной гигиены, реле уровня, вентиляционный клапан с угольным фильтром улучшенного качества (не требуются никакие дополнительные фильтры). Насос автоматически включается при заполнении резервуара (уровень включения) и автоматически выключается при его опорожнении (уровня выключения).
Комплект поставки
- Переходники с одинаковым наружным диаметром и разными значениями внутреннего диаметра, соответствующими размеру напорного трубопровода
- Напорный патрубок
- Переходник
- Трубопровод соединяется хомутом
- Приемные патрубки (эксцентрики) дают возможность смещения подключения на 10 мм, что облегчает монтаж канализационной установки
|
Страна
? Основная страна в которой находится фирма или страна производства |
Дания |
|
Производитель
|
Grundfos |
|
Серия
|
Sololift2 |
|
Материал корпуса
|
пластик |
|
Область применения
|
канализация |
|
Качество воды
? На СО это "Ограничение применения" |
агрессивные жидкости, вязкие жидкости |
|
Трубное присоединение, мм
|
40 |
|
Управление
|
отсутствует |
|
Напор, м
|
8.5 |
|
Защита от сухого хода
|
есть |
|
Подключение
? Только для канализационных насосов! |
биде, душ, рукомойник/умывальник, ванна, стиральная/посудомоечная машина |
|
Уровень шума
|
тихий |
|
Мощность, Вт
|
640 |
|
Высота, мм
|
341.1 |
|
Ширина, мм
|
443.8 |
|
Глубина, мм
|
158.3 |
Для покупки товара в нашем интернет-магазине выберите понравившийся товар и добавьте его в корзину. Далее перейдите в Корзину и нажмите на «Оформить заказ» или «Быстрый заказ».
Когда оформляете быстрый заказ, напишите ФИО, телефон и e-mail.
Вам перезвонит менеджер и уточнит условия заказа. По результатам разговора вам придет подтверждение оформления товара на почту или через СМС. Теперь останется только ждать доставки и радоваться новой покупке.
Оформление заказа в стандартном режиме выглядит следующим образом:
Заполняете полностью форму по последовательным этапам: адрес, способ доставки, оплаты, данные о себе. Советуем в комментарии к заказу написать информацию, которая поможет курьеру вас найти. Нажмите кнопку «Оформить заказ».
Оплачивайте покупки удобным способом. В интернет-магазине доступно 2 варианта оплаты:
- Наличные при самовывозе или доставке курьером. Специалист свяжется с вами в день доставки, чтобы уточнить время и заранее подготовить сдачу с любой купюры. Вы подписываете товаросопроводительные документы, вносите денежные средства, получаете товар и чек, товарную накладную,гарантию на товар.
- Безналичный расчет как юридическое лицо. Для этого необходимо отправить нам по электронной почте реквизиты вашей организации.
Экономьте время на получении заказа. В интернет-магазине доступно 3 варианта доставки:
- Курьерская доставка по Москве и Московской области работает с 9.00 до 19.00. Отдел доставки заранее свяжется с Вами для уточнения деталей. Специалист предложит выбрать удобное время доставки и уточнит адрес.
- Самовывоз из магазина. Список торговых точек для выбора появится в корзине. Когда заказ поступит на склад, вам придет уведомление. Для получения заказа обратитесь к сотруднику отдела продаж.
- Отправка через транспортные компании: "Деловые Линии", "СДЭК", "ПЭК" и другие. Когда заказ будет передан в отделение ТК, вам поступит уведомление и номер отслеживания заказа.
