на лучшие бренды
всем клиентам
по России за 24 часа
от производителей
Описание
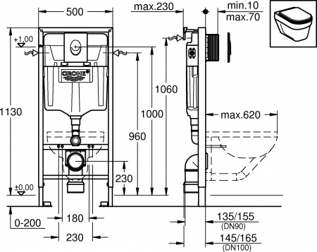
Современная инсталляция из серии Grohe Rapid предназначена для
установки подвесного унитаза. Система отлично подойдет для
использования в коммерческих помещениях, ведь конструкцию можно в
ряд подключить к одной или более инсталляциям (например, для
установки нескольких подвесных унитазов или унитаза с биде).
Прочная самонесущая рама выполнена из первоклассной стали с
порошковым напылением и подготовлена для облицовки. При установке
чаша унитаза регулируется по высоте. Подключение воды
осуществляется сзади, справа или слева. Система изоляции от
конденсационной влаги значительно продлевает срок службы изделия.
Инсталляция может быть оборудована любым видом смыва воды: полный
смыв (9 л), экономный и «старт-стоп».
|
Страна
? Основная страна в которой находится фирма или страна производства |
Германия |
|
Производитель
|
Grohe |
|
Серия
|
Rapid SL |
|
Гарантия
|
5 лет |
|
Область применения
|
бытовая |
|
Диаметр слива, см
|
9 |
|
Высота, см
|
113 |
|
Ширина, см
|
50 |
|
Глубина, см
|
30 |
|
Цвет
|
белый |
|
Код товара
|
217320 |
|
Тип
|
монтажные рамы, готовое решение (инсталляция+кнопка) |
|
Оснащение
|
Кнопка смыва, крепления, смывной бачок |
|
Дополнительная информация
|
кнопка Skate Air |
|
Стилистика дизайна
|
hi-tech |
|
Объем смывн. бачка, л
|
6/9 л |
|
Подвод воды
|
Сбоку бачка, сзади бачка |
|
Метод крепления
|
В капитальную стену и пол |
|
Монтажная высота, см
|
113 |
|
Монтажная глубина, см
|
23 |
|
Диаметр переходника для слива, см
|
11 |
|
Межосевое расстояние под крепеж. шпильки, см
|
23, 18 |
|
Управление
|
Пневматическое |
|
Режим слива воды
|
две кнопки (режим эконом), одна кнопка (старт-стоп) |
|
Материал кнопки
|
пластик |
|
Цвет кнопки
|
белый |
Для покупки товара в нашем интернет-магазине выберите понравившийся товар и добавьте его в корзину. Далее перейдите в Корзину и нажмите на «Оформить заказ» или «Быстрый заказ».
Когда оформляете быстрый заказ, напишите ФИО, телефон и e-mail.
Вам перезвонит менеджер и уточнит условия заказа. По результатам разговора вам придет подтверждение оформления товара на почту или через СМС. Теперь останется только ждать доставки и радоваться новой покупке.
Оформление заказа в стандартном режиме выглядит следующим образом:
Заполняете полностью форму по последовательным этапам: адрес, способ доставки, оплаты, данные о себе. Советуем в комментарии к заказу написать информацию, которая поможет курьеру вас найти. Нажмите кнопку «Оформить заказ».
Оплачивайте покупки удобным способом. В интернет-магазине доступно 2 варианта оплаты:
- Наличные при самовывозе или доставке курьером. Специалист свяжется с вами в день доставки, чтобы уточнить время и заранее подготовить сдачу с любой купюры. Вы подписываете товаросопроводительные документы, вносите денежные средства, получаете товар и чек, товарную накладную,гарантию на товар.
- Безналичный расчет как юридическое лицо. Для этого необходимо отправить нам по электронной почте реквизиты вашей организации.
Экономьте время на получении заказа. В интернет-магазине доступно 3 варианта доставки:
- Курьерская доставка по Москве и Московской области работает с 9.00 до 19.00. Отдел доставки заранее свяжется с Вами для уточнения деталей. Специалист предложит выбрать удобное время доставки и уточнит адрес.
- Самовывоз из магазина. Список торговых точек для выбора появится в корзине. Когда заказ поступит на склад, вам придет уведомление. Для получения заказа обратитесь к сотруднику отдела продаж.
- Отправка через транспортные компании: "Деловые Линии", "СДЭК", "ПЭК" и другие. Когда заказ будет передан в отделение ТК, вам поступит уведомление и номер отслеживания заказа.
