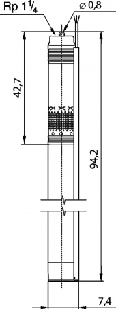
Погружной насос Grundfos SQ 3-105 с кабелем, скважинный купить в Москве дешево
Мы используем файлы 'cookie', чтобы обеспечить максимальное удобство пользователям.