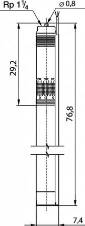
Погружной насос Grundfos SQ 2-70 с кабелем, скважинный купить в Москве дешево
Мы используем файлы 'cookie', чтобы обеспечить максимальное удобство пользователям.