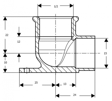
Водорозетка Viega 94471G DN 15х1/2 купить в Москве дешево
Мы используем файлы 'cookie', чтобы обеспечить максимальное удобство пользователям.