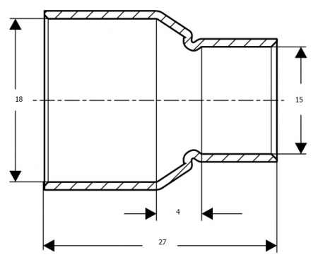
Муфта Viega 95240 DN 28x22 купить в Москве дешево
Мы используем файлы 'cookie', чтобы обеспечить максимальное удобство пользователям.