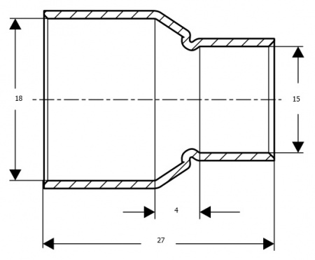
Муфта Viega 95240 DN 22x18 купить в Москве дешево
Мы используем файлы 'cookie', чтобы обеспечить максимальное удобство пользователям.