Газовый котел Baxi LUNA 3 Comfort
240 i – безопасное и
надежное оборудование для автономной системы отопления загородного дома.
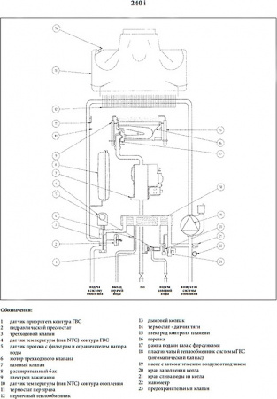
Горелка оснащена рассекателями из нержавеющей стали, медный теплообменник
покрыт специальным составом, предотвращающим коррозию, и снабжен защитным термостатом
от перегрева. При низком давлении теплоносителя в системе отопления срабатывает
прессостат. Энергосберегающий циркуляционный насос с автоматическим
воздухоотводчиком не блокируется даже после длительного перерыва в
эксплуатации. Съемная цифровая панель управления с инновационной платой
упрощает программирование режимов работы на день или неделю.
|
Страна
? Основная страна в которой находится фирма или страна производства |
Италия |
|
Производитель
|
Baxi |
|
Серия
|
LUNA 3 Comfort |
|
Мощность, кВт
|
24 |
|
Гарантия
|
2 года |
|
Отапливаемая площадь, м2
|
240 |
|
Вид топлива
|
газ |
|
Количество контуров
|
двухконтурный |
|
Дымоход
|
естественная тяга |
|
Высота, см
|
76 |
|
Ширина, см
|
45 |
|
Глубина, см
|
34.5 |
|
Цвет
|
белый |
|
Дополнительные функции
|
защита насоса от заклинивания / возможность подключения датчика уличной температуры / возможность подключения к системе теплого пола / выносная панель управления / ионизационный контроль пламени / работа при низком давлении газа / энергосберегающий режим |
|
Код товара
|
RAN30H0NQNQT0A |
|
Оснащение
|
манометр давления / аварийный клапан / водяной фильтр / датчик ГВС / автоматический воздухоотводчик / крепления / предохранительный клапан |
|
Комплектация
|
Газовый котел Baxi LUNA 3 Comfort 240 i (9,3-24 кВт) |
|
Электропитание, В
|
230 |
|
Монтаж
|
настенный |
|
Управление
|
электронное / определяется панелью управления |
|
Автоподжиг
|
электророзжиг |
|
Защита от перегрева
|
есть |
Для покупки товара в нашем интернет-магазине выберите понравившийся товар и добавьте его в корзину. Далее перейдите в Корзину и нажмите на «Оформить заказ» или «Быстрый заказ».
Когда оформляете быстрый заказ, напишите ФИО, телефон и e-mail.
Вам перезвонит менеджер и уточнит условия заказа. По результатам разговора вам придет подтверждение оформления товара на почту или через СМС. Теперь останется только ждать доставки и радоваться новой покупке.
Оформление заказа в стандартном режиме выглядит следующим образом:
Заполняете полностью форму по последовательным этапам: адрес, способ доставки, оплаты, данные о себе. Советуем в комментарии к заказу написать информацию, которая поможет курьеру вас найти. Нажмите кнопку «Оформить заказ».
Оплачивайте покупки удобным способом. В интернет-магазине доступно 2 варианта оплаты:
- Наличные при самовывозе или доставке курьером. Специалист свяжется с вами в день доставки, чтобы уточнить время и заранее подготовить сдачу с любой купюры. Вы подписываете товаросопроводительные документы, вносите денежные средства, получаете товар и чек, товарную накладную,гарантию на товар.
- Безналичный расчет как юридическое лицо. Для этого необходимо отправить нам по электронной почте реквизиты вашей организации.
Экономьте время на получении заказа. В интернет-магазине доступно 3 варианта доставки:
- Курьерская доставка по Москве и Московской области работает с 9.00 до 19.00. Отдел доставки заранее свяжется с Вами для уточнения деталей. Специалист предложит выбрать удобное время доставки и уточнит адрес.
- Самовывоз из магазина. Список торговых точек для выбора появится в корзине. Когда заказ поступит на склад, вам придет уведомление. Для получения заказа обратитесь к сотруднику отдела продаж.
- Отправка через транспортные компании: "Деловые Линии", "СДЭК", "ПЭК" и другие. Когда заказ будет передан в отделение ТК, вам поступит уведомление и номер отслеживания заказа.
